430685
»ùÒòǹ »ùÒòµ¼ÈëÒÇ Î¢Ì«Ñô³ÉÉú³¤ÇúÏß·ÖÎöÒÇ DNA´ò¶ÏÒÇ ·Ö×ÓÔÓ½»Â¯ ×ÏÍâ½»ÁªÒÇ ºËËáÌáÈ¡ÒÇ Ï¸¾úÊèÉ¢¼ÆÊýÒÇ Æ½ÐÐÌ«Ñô³É·´Ó³Æ÷ СÐÍÅçÎí¸ÉÔï»ú ¼äЪ½þʽ̫Ñô³É·´Ó³Æ÷
¹¤ÒÕÁ÷³ÌοØÏµÍ³ ºãÎÂ²Û µÍÎÂÀäÈ´Ñ»·±Ã(ÀäÈ´Ñ»·Ë®»ú) ºãÎÂÀäÈ´Ñ»·Æ÷ ºãη´Ó³Ô¡ ½ðÊôÖé×ÓºãÎÂÔ¡ Ðýתճ¶È¼Æ×¨ÓúãβÛ
ʵʱ¹É¼Û ¹«Ë¾Í¨¸æ Ͷ×ÊÕßÈÈÏß Í¶×ÊÕß½»Á÷
ENÐÂÖ¥-25¡æ¡«200¡æÏµÁÐÆéá«Î¿ØÎÂϵͳÉ豸¡£¿É¿ØÖÆÎ¶ȹæÄ£º¸Ç-25¡æµ½200¡æ£¬Ñ»·±Ã×î´óÁ÷Á¿´Ó20L/minµ½75L/min£¬Ñ»·±ÃѹÁ¦ÓÐ1.5/2.0/2.5barµÈ3ÖÖÀàÐÍ£¬µ¼ÈȽéÖʽӿڳߴç´ÓDN15µ½DN50¹²ÓÐ5ÖÖ¹æ¸ñ¡£Ä¿Ç°±¾Àà×°ÖÃÌ«Ñô³ÉÌṩÁË10ÖÖ²îÒìÐͺţ¬ÒÔÂú×ã²îÒìÓû§µÄʹÓÃÐèÇó¡£²îÒì»úÐ͵ÄÍâÐγߴçºÍ»úÐµÖØÁ¿¾Þϸ·×Æç£¬ÎªÓû§Ìṩ¶àÑù»¯Ñ¡Ôñ¡£ÁíÍ⣬̫Ñô³ÉÒ²¿Éƾ¾Ý¿Í»§ÒªÇóÌṩ¸öÐÔ»¯¶¨ÖÆ·½°¸¡£
¡¡¡¡ÐÂÖ¥µÄÆéá«Î¿ØÎÂϵͳÖÊÁ¿¿É¿¿£¬ÐÔÄÜÓÅÔ½£¬¾ß±¸¸ß¾«¶ÈÖÇÄÜζȿØÖÆ£¬Î¶ȿØÖƹæÄ£´Ó-120¡æÖÁ350¡æÓ¦Óо¡ÓУ¬Äܹ»Âú×ã¾ø´ó²¿ÃÅÆóÒµµÄºãοØÖÆÐèÇó¡£±¾É豸¿ØÎ¾«¶È¸ß´ï¡À0.1¡æ£¬ÖÆÀ书ÂÊ0.25kWµ½95kW¡¢¼ÓÈȹ¦ÂÊ2.5kW~95kW¾ùÓжÔÓ¦ÐͺŲúÎ﹩Ӧ¡£

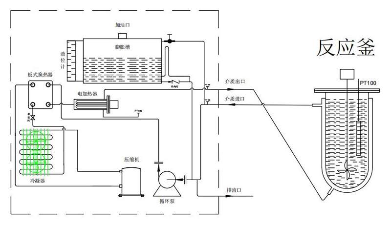
¡¡¡¡Æéá«Î¿ØÎÂ×°ÖÃÓÉÑ»·±Ã¡¢¼ÓÈȹܡ¢Ñ¹Ëõ»ú¡¢ÀäÄýÆ÷¡¢·ç»ú¡¢¸ÉÔï¹ýÂËÆ÷¡¢ÅòÕÍ·§¡¢Õô·¢Æ÷¡¢ÆøÒºÊèÉ¢Æ÷¡¢´«¸ÐÆ÷¡¢½éÖÊѹÁ¦±í¡¢»ØÈÈÆ÷¡¢ÅòÕÍÈÝÆ÷¡¢¿ØÖÆÆ÷µÈ²¿¼þ×é³É¡£¼¯³ÉÁ˶àÏîÏȽø¼¼Êõ£¬ÒÔÈ·±£Ôڹ㷺µÄζȹæÄ£ÄÚʵÏÖ׿ԽµÄζȿØÖÆÐÔÄÜ¡£ÏµÍ³ÔË×÷»ùÓÚÒ»¸ö¾«Ï¸Ðµ÷µÄÖÆÀäÓë¼ÓÈÈÑ»·£¬½¹µã²¿¼þÐͬÊÂÇ飬ȷ±£Î¶Ⱦ«×¼µ÷ÖΡ£
¡¡¡¡¡¤ ¿ØÖÆÏµÍ³£ºPIDÄ£ºý¿ØÖÆ
¡¡¡¡¡¤ µ¼ÈȽéÖÊοؾ«×¼¶È£º¡À0.5¡æ
¡¡¡¡¡¤ ·´Ó³ÎïÁÏοؾ«×¼¶È£º¡À1¡æ
¡¡¡¡¡¤ Íâ¿Ç²ÄÖÊ£ºÀäÔþîÓÅçËÜ
¡¡¡¡¡¤ ͨÐÅÐÒ飺MODBUS RTU ÐÒé RS 485½Ó¿Ú
¡¡¡¡¡¤ Íâ¿Ç²ÄÖÊ£ºÀäÔþîÓÅçËÜ
¡¡¡¡¡¤ ½éÖÊζȹæÄ££º-25¡æ¡«200¡æ(¸ßοÉÀ©Õ¹ÖÁ250¡æ)
¡¡¡¡¡¤ ²Ù×÷Ãæ°å£º7Ó¢´ç²ÊÉ«´¥ÃþÆÁ£¬Î¶ÈÇúÏßÏÔʾ¡¢¼Í¼
¡¡¡¡¡¤ ¿ØÎ¹¤¾ß£ºÎïÁÏζȿØÖÆÓëµ¼ÈȽéÖʳö¿ÚζȿØÖÆ¿É×ÔÓÉÑ¡Ôñ
¡¡¡¡¡¤ ÎÂ²î¿ØÖÆ£º·´Ó³¸ª¼ÐÌ×ζÈÓëÎïÁÏζȵÄβî¿É¿ØÖÆ¡¢¿ÉÉ趨
¡¡¡¡¡¤ ·¨Ê½±à¼£º¿ÉÌåÀý5Ìõ·¨Ê½£¬Ã¿Ìõ·¨Ê½¿ÉÌåÀý30¶Î²½Öè
¡¡¡¡¡¤ ζȷ´À¡£ºÉ豸µ¼ÈȽéÖÊ ±¾»úζȡ¢³ö¿Úζȡ¢·´Ó³Æ÷ÎïÁÏζȣ¨Íâ½Óζȴ«¸ÐÆ÷£©ÈýµãζÈPT100
¡¡¡¡¡¤ Äþ¾²ÑÚ»¤£º¾ßÓÐ×ÔÎÒÕï¶Ï¹¦Ð§;Àä¶³»ú¹ýÔØÑÚ»¤¡¢¸ßѹѹÁ¦¿ª¹Ø¡¢¹ýÔØ¼ÌµçÆ÷¡¢ÈÈÑÚ»¤×°ÖᢵÍҺλÑÚ»¤¡¢¸ßÎÂÑÚ»¤ ´«¸ÐÆ÷¹ÊÕÏÑÚ»¤µÈ¶àÖÖÄþ¾²±£ÕϹ¦Ð§
¡¡¡¡¡¤ ÃܱÕÑ»·ÏµÍ³£ºÕû¸öϵͳΪȫÃܱÕϵͳ£¬¸ßÎÂʱ²»»áÓÐÓÍÎí¡¢µÍβ»ÎüÊÕ¿ÕÆøÖÐË®·Ý£¬ÏµÍ³ÔÚÔËÐÐÖв»»áÒòΪ¸ßÎÂʹѹÁ¦ÉÏÉý£¬µÍÎÂ×Ô¶¯Ôö²¹µ¼ÈȽéÖÊ
¡¡¡¡
Æéá«Î¿ØÎÂÉ豸±»¹ã·ºÓ¦ÓÃÓÚ¶àÖÖ·´Ó³×°ÖÃÖУ¬Èç·´Ó³¸ª¡¢·´Ó³Æ÷(Èç΢ͨµÀ·´Ó³Æ÷¡¢²£Á§·´Ó³Æ÷ºÍ¼ÐÌ×·´Ó³Æ÷)¡¢ÕôÁóϵͳ¡¢ÝÍȡϵͳµÈ£¬ÒÔʵÏÖ¾«È·µÄÖÆÀäÓë¼ÓÈÈ¿ØÖÆ¡£ÕâÖÖÉ豸ÔڸߵÈԺУ¡¢¿ÆÑÐʵÑéÊÒ¡¢Æû³µÖÆÔì¡¢ÖÆÒ©¹¤Òµ¡¢Ê¯ÓÍ»¯¹¤¡¢°ëµ¼Ìå¼°µç×Ó²úÎï²âÊÔ¡¢Ì«Ñô³É»¯Ñ§ÒÔ¼°º½¿Õº½ÌìµÈ¶à¸öÐÐÒµÁìÓòÄÚ·¢»Ó×ÅÖØÒªµÄ×÷Óá£
¡¡¡¡¹ØÓÚÕýѹ·À±¬
¡¡¡¡±¾²úÎïÖеÄ?ÀäÐÍÐͺžù¿É¶¨ EXPXdmbIBT4£¬EXPXdmbiCt4
¡¡¡¡ËüÊÇÆ¾¾Ý¹ú¼Ò³ß¶ÈGB3836.5-2004(±¬Õ¨ÐÔ?ÌåÇé¿ö?µç?É豸ÕýѹÐÍ¡° p¡±)Éè¼ÆÖÆÔì¡¢¼ìÑé¡£¿É?·º?ÓÚ?ÓÍ¡¢»¯?Ò½Ò©µÈ¾ßÓб¬Õ¨ÐÔ?Ìå¡¢ ·Û³¾µÄΣÏÕ³¡Ëù¡£·À±¬±ê־ΪExpxdmb lCT4¡£·À±¬¼°¸ñÖ¤ºÅ:GYB091118¡£
¡¡¡¡Õýѹ¹ñͨ¹ý·À±¬¿ØÖÆÏäÄÚµÄÖÇÄÜ¿ØÖÆÏµÍ³Óëѹ?¿ØÖÆÏµÍ³Æ¥Å佫½à¾»Äþ¾²µÄѹËõ¿Õ?Òý?Õýѹǻ£¬Ê¹ÕýѹǻÄÚÐγÉ΢Õýѹ£¬×è?Íâ½çΣÏÕ?Ìå¡¢·Û³¾µÄ½ø?£¬µ½´ï·À±¬µÄ?µÄ¡£¸Ã²úÎï¾ßÓÐÖÇÄܼ¯ÖпØÖÆ¡¢Òº¾§?×ÖÏÔ?¡¢?¶¯»»?¡¢ÑÓʱ?¶¯¹©µç¡¢Ê§Ñ¹²¹?¡¢¹ÊÕϱ¨¾¯¼°Î£ÏÕʱ?¶¯ÇжϵçÔ´µÈ¹¦Ð§¡£
¡¡¡¡½á¹¹¸ÅÊö
¡¡¡¡Õýѹ¹ñÓÉÕýѹǻºÍ¿ØÖÆÇ»Á½²¿ÃÅ×é³É£¬Õýѹǻ?ÓÚ°²×°ÖÖÖÖ?·À±¬µÄÒDZí»òµçÆ÷£¬¿ØÖÆÇ»ÓÉ·À±¬¿ØÖÆÏ估ѹ?¿ØÖÆÏµÍ³×é³É¡£Õýѹ¹ñÍâ¿Ç²É? 2~3mmµÄÀäÔþ¸Ö°åº¸½Ó?³É£¬Í¨?¹ÜµÀ²É?¶ÆÐ¿¸Ö¹Ü£¬½ø³öµçÀ²É?´©°å¹Ü½ÓÍ·ºÍµçÀÂÒý?ѹ½ô×°Öá£Ç°?ÉèÖò£Á§ÏÔ?´°£¬ÏÔ?ÒÇ±í¼°Ö¸?µÆµÈÄÚÈÝ¡£
¡¡¡¡Äþ¾²Ö¸±ê
¡¡¡¡a.¹ñÄÚÄÚÕýѹֵ?ÓÚ280Pa?¶¯ÅÅ? b.¹ñÄÚÕýѹֵ?ÓÚ80Pa?ÓÚ50Paʱ£¬?¶¯±¨¾¯ c.¹ñÄÚÕýѹֵ?ÓÚ50Pa£¬?¶¯ÇжϵçÔ´¡£
¡¡¡¡ÊÂÇéÔÀí
¡¡¡¡Ñ¹¹ñ?×÷ÔÀí£¬Íâ½ç220·üÁ÷Òý?·À±¬¿ØÖÆÏäºó£¬°´Ï¡°Æð¶¯Å¥¡±£¬µç´ÅÎÅ4Àø´Å½«½ø?¹ÜµÀ¿ªÍ¨£¬Ñ¹Ëõ¿Õ?¾¹ýÂ˼õѹºó½ø?Õýѹǻ£¬ÕýѹǻÄÚµÄΣÏÕ?Ìåͨ¹ýÅÅ?ÅųöÕýѹǻ£¬´ýÕýѹǻÄÚΣÏÕ?Ìå»»?Äþ¾²ÖµÊ±£¬»»?½áÊø£¬ÁªËø´¥µã?¶¯±ÕºÏ£¬´ËʱÕýѹǻÄڵĵçÆ÷¡¢ÒDZí?¿É?×÷¡£
¡¡¡¡ÕýѹֵµÄµ÷Õû
¡¡¡¡µ÷Õûµ¥Ïò½ÚÁ÷ϹæÔòѹֵµ÷ÖÎ?±ú£¬Ë³Ê±Õëת¶¯ÕýѹֵÉý?£¬·´Ö®Õýѹֵ½µµÍ£¬Õýѹֵµ÷?250PaΪÒË£¬Èç¹ûѹ?Æ«µÍ?·¨µ÷?´Ëѹ?ʱ£¬Ó¦²é½ø?ÊÇ·ñÈ«¿ª£¬ÕýѹÊÒÓëÍâ½çÊÇ·ñÃÜ·â¡£
¡¡¡¡ÁªËø¹¦Ð§Ñ¡Ôñ
¡¡¡¡Õýѹ¹ñÔÚ1ÇøÎ£ÏÕ³¡Ëù±ã?ʱ£¬Èç¹ûÕýѹֵ?ÓÚ50Pa£¬ÁªËø´¥Õ¼Ðë¶Ï¿ª£¬Èç¹ûÔÚ2ÇøÎ£ÏÕ³¡Ëùʹ?ʱ£¬Èç¹ûÕýѹֵ?ÓÚ50Pa£¬ÁªËø´¥µã¿ÉÒÔ²»Í£¿ª£¬µ«ÒªÊµÊ±´¦Öóͷ£È·±£Ñ¹??ÓÚ50Pa£¬´Ë¹¦Ð§Óв¦Î»¿ª¹Øt2µÚ3λÀ´µ÷ÕûµÚÈýλÔÚ?ÁªËø´¥µã¶Ï¿ªÔÚÏÂÁªËø´¥µã²»Í£¿ª²¦Î»Ê±ÐèÔÚ¶Ï¿ª×´Ì¬Ï½ø?¡£
¡¡¡¡Õýѹ·À±¬¹ñºãÎÂÀäȴϵͳ
¡¡¡¡²É??Àä?ʽ£¬?¶¯¿ØÖÆÀäÈ´?½ø?µ½ÏµÍ³ÄÚ²¿¿Õ¸ü»»ÈÈÆ÷£¬½«Õýѹ¹ñÄÚ²¿ÈÈÁ¿´ø?£¬È·±£ÕýѹϵͳÄÚ²¿´¦ÓÚºãÎÂ״̬£¬±£Ö¤ÄÚ²¿Ôª¼þÄþ¾²¡£
¡¡¡¡¹ØÓÚ¸ôÀë·À±¬
¡¡¡¡µçÆø¹ñ£¨½ÓÄɸô±¬ÐÍ£©
¡¡¡¡A Óе¥¶ÀµÄ½ÓÏßÇ»Ìå
¡¡¡¡B ¼ÓÈȹ¦ÂÊ´óÓÚ7.5kW, ÓжÀÁ¢É¢ÈÈÂÁ³áƬ·À±¬¹ñ
¡¡¡¡C µçÆø¹ñ½ÓÄÉÈ«ÂÁ¼þÄ£¾ß
¡¡¡¡D Å䱸·À±¬Êó±ê£¬ÓÃÓÚ²Ù×÷7´ç¼°ÒÔÉÏÏÔʾÆÁ
¡¡¡¡Ñ¹Ëõ»ú
¡¡¡¡A ½ÓÄÉ·À±¬ÐÍ»ò·À±¬¹è½ºÃÜ·â·À±¬´¦Öóͷ£
¡¡¡¡B ½ÓÄɽÓÏß¶Ë×Ó·â×°¹¤ÒÕ(±¾°²)¡£
¡¡¡¡Ñ»··ç»ú
¡¡¡¡A ½ÓÄÉ·À±¬ÐÍ
¡¡¡¡B ҶƬ½ÓÄÉÂÁҶƬ
¡¡¡¡Ñ»·±Ã½ÓÄɸô±¬Ð͵ç»ú
¡¡¡¡µ÷Õûµ¥Ïò½ÚÁ÷ϹæÔòѹֵµ÷ÖÎ?±ú£¬Ë³Ê±Õëת¶¯ÕýѹֵÉý?£¬·´Ö®Õýѹֵ½µµÍ£¬Õýѹֵµ÷?250PaΪÒË£¬Èç¹ûѹ?Æ«µÍ?·¨µ÷?´Ëѹ?ʱ£¬Ó¦²é½ø?ÊÇ·ñÈ«¿ª£¬ÕýѹÊÒÓëÍâ½çÊÇ·ñÃÜ·â¡£
¡¡¡¡A ¼ÓÈÈÆ÷½ÓÄɸô±¬ÐÍ
¡¡¡¡B ζȴ«¸ÐÆ÷½ÓÄɸô±¬ÐÍ
¡¡¡¡C ѹÁ¦´«¸ÐÆ÷½ÓÄɸô±¬ÐÍ
¡¡¡¡D ÖÖÖÖÑÚ»¤Çø°²×°ÔÚ¸ô±¬ºÐÖÐ
| ÐͺŠ| HL25-220 | HL35-220 | HL55-220 | HL75-220 | HL100-220 | HL150-220 | HL250W-220 | HL380W-220 | HL600W-220 | HL950W-220 | |
| ¼ÓÈȹ¦ÂÊ | 2.5kW | 3.5kW | 5.5kW | 7.5kW | 10kW | 15kW | 25kW | 38kW | 60kW | 95kW | |
| ÖÆÀäÄÜÁ¦ | 200¡æ | 2.5kW | 3.5kW | 5.5kW | 7.5kW | 10kW | 15kW | 25kW | 38kW | 60kW | 95kW |
| 100¡æ | 2.5kW | 3.5kW | 5.5kW | 7.5kW | 10kW | 15kW | 25kW | 38kW | 60kW | 95kW | |
| 20¡æ | 2.5kW | 3.5kW | 5.5kW | 7.5kW | 10kW | 15kW | 25kW | 38kW | 60kW | 95kW | |
| -5¡æ | 2kW | 3kW | 4.5kW | 6.6kW | 8kW | 12kW | 19kW | 30kW | 46kW | 70kW | |
| -20¡æ | 1.0kW | 1.8kW | 2.8kW | 3.8kW | 4.6kW | 7kW | 12kW | 16kW | 22kW | 32kW | |
| Ñ»·±Ã | Á÷Á¿ | Max30L/min | Max30L/min | Max42L/min | Max56L/min | Max56L/min | Max110L/min | Max120L/min | Max150L/min | Max300L/min | Max400L/min |
| ѹÁ¦ | 1.5bar | 1.5bar | 2.0bar | 2.0bar | 2.0bar | 2.5bar | 2.5bar | 2.5bar | 2.5bar | 2.5bar | |
| ѹËõ»ú | ˼¿ÆÆÕ | °¬Ä¬Éú¹ÈÂÖ | Òâ´óÀû¶¼Áè/±ÈÔó¶û/¸»Ê¿ºÀ | ||||||||
| ÅòÕÍ·§ | µ¤·ð˹ | °¬Ä¬Éú/µ¤·ð˹ | |||||||||
| µ¼ÈȽéÖʽӿڳߴç | DN15 | DN20 | DN20 | DN20 | DN25 | DN32 | DN32 | DN40 | DN40 | DN50 | |
| 20¶ÈÀäÈ´Ë®ÐèÇó | 0.6m?/h | 0.8m?/h | 1m?/h | 1.2m?/h | 1.6m?/h | 2m?/h | 6m?/h | 10m?/h | 14m?/h | 20m?/h | |
| 1.5bar¡«4bar | 1.5bar¡«4bar | 1.5bar¡«4bar | 1.5bar¡«4bar | 1.5bar¡«4bar | 1.5bar¡«4bar | 1.5bar¡«4bar | 1.5bar¡«4bar | 1.5bar¡«4bar | 1.5bar¡«4bar | ||
| ÀäÈ´Ë®½Ó¿Ú³ß´ç | G1/2 | G1/2 | G3/4 | G3/4 | G3/4 | G1 | DN32 | DN40 | DN50 | DN65 | |
| ÍâÐγߴçmm | Ë®Àä | 400*600*1150 | 400*600*1150 | 500*680*1250 | 550*700*1600 | 500*680*1250 | 700*800*1650 | 1000*950*1650 | 1000*950*1750 | 2000*1250*1750 | 2000*1250*1750 |
| ·çÀä | 400*600*1250 | 450*650*1300 | 550*750*1400 | 570*750*1500 | 650*700*1650 | 750*750*1800 | / | / | / | / | |
| ÖØÁ¿ | Ë®Àä | 100kg | 135kg | 160kg | 205kg | 250kg | 280kg | 480kg | 750kg | 1000kg | 1250kg |
| ·çÀä | 115kg | 165kg | 285kg | 230kg | 280kg | 300kg | / | / | / | / | |
| µçÔ´ | AC 220V 50HZ | AC 380V 50HZ | AC 380V 50HZ | AC 380V 50HZ | AC 380V 50HZ | AC 380V 50HZ | AC 380V 50HZ | AC 380V 50HZ | AC 380V 50HZ | AC 380V 50HZ | |
| ×ܹ¦ÂÊ | 4kW(max) | 6kW(max) | 8kW(max) | 11kW(max) | 14kW(max£© | 21kW(max) | 34kW(max) | 51 kW(max) | 78kW(max) | 120kW(max) | |
¡¤ Ñ¡Å䣺SUS 304»úÏä¡¢ExdIIBT4·À±¬¡¢ExdllCT4·À±¬¡¢Õýѹ·À±¬(Õýѹ·À±¬Ö»ÄܽÓÄÉË®À䷽ʽ)
24Сʱ·þÎñÈÈÏß 18106650612